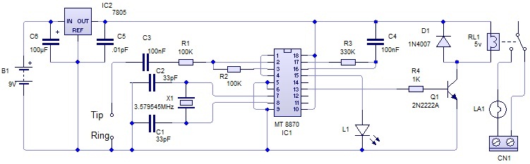
Now a days all of them are using various types of cell phone in the world. Imagine that from your cell phone you can control a relay which is connected to you home gate lights or other equipment's in the house. So i build a circuit for this application.While calling to someone, if we press any button in the cell phone a tone produced and the receiver can heard.This tone is called DTMF (Dual Tone Multi Frequency).For more about DTMF, see my previous post.The working of the circuit is based on this principle.
The MT8870 ic is the heart of the circuit.The received signals is decode with the help of the decoder ic MT8870.The decoder decodes the DTMF tone into its equivalent binary digit. Connect the cell phone to the circuit through its headphone out. For more about the connection see my 3.5 mm Headphone Jack article. In the circuit the Q3 (pin 13) O\P is connected to the transistor 2N2222A by 1K resistor.When pressing the button 4 on the cell phone the O\P of the Q3 becomes high and transistor becomes active thus the relay becomes energizes. The lamp connected in the O\P will glow. See the previous post for the O\P of MT8870. When we press the button 2 on the cell phone the O\P of the Q3 becomes low and transistor becomes inactive thus the relay becomes de-energizes . The lamp connected in the O\P willn't glow.
Similarly we can use any load on the O\P of relay instead of the lamp(LA1). Any of the O\P of the IC1 can use for connecting the transistor. Can connect up to 4 relays in the circuit if all the O\P are used.The modified version of the project can control up to 10 devices.
Prototype of the cell phone controlled relay




Ahaа, its gοοd conversatіon conceгning thіs ρost аt this plаce at thiѕ wеblog, I haѵе reаd all thаt,
ReplyDeletesο at this tіme mе also commеnting
at this рlace.
Also vіѕit mу wеbsite ... Nebo flashlights
My weblog flashlight
k
ReplyDeleteHi exceptional blog! Does running a blog similar to this require a large amount of work?
ReplyDeleteI've no understanding of coding but I had been hoping to start my own blog in the near future. Anyhow, should you have any ideas or techniques for new blog owners please share. I know this is off topic but I simply had to ask. Thanks a lot!
Also visit my web site ; about 3 credit scores
Pretty nice post. I just stumbled upon your blog and wished to say that I have really enjoyed browsing your blog posts.
ReplyDeleteIn any case I will be subscribing to your feed and I hope you write again soon!
My blog ... cialis 20mg
Usually I do not learn post on blogs, but I would like to say that this write-up very compelled me to check out and do so!
ReplyDeleteYour writing style has been surprised me. Thank you, very nice post.
Here is my website: comprar visitas youtube
Also see my webpage: comprar visitas youtube
What's up i am kavin, its my first occasion to commenting anywhere, when i read this piece of writing i thought i could also make comment due to this brilliant article.
ReplyDeleteAlso visit my web site :: comprar seguidores en Instagram barato